概述:JSZN68-12GD系列户内高压三工位真空断路器具有优异的电气、机械性能,机构可靠稳定、寿命长。主回路采用固封极柱,提高了断路器的环境适应性和绝缘可靠性;可靠的机械和电子性能,延长的机械寿命和电子寿命,使断路器的免维护成为可能。其可用于3.6-12kV电力系统,作为电网设备,工矿企业动力设计的保护盒控制单元,适用于各种不同性质的负荷和频繁操作、多次开断短路电流的场合。产品拥有完善的机械和电气联锁装置,具有操作稳定性和可靠性,确保操作人员和设备的安全,确保用电安全。
◆采用固封极柱技术。
◆产品采用模块式设计:框架结构,集成了隔离开关、固封真空断路器、接地开关、传感器、联锁机构、操作机构为—体的高性能小型化高压电气产品。
◆适配柜体尺寸为(450×1000×1800)mm。
◆旋转式隔离开关,分闸后具有可见的断口。
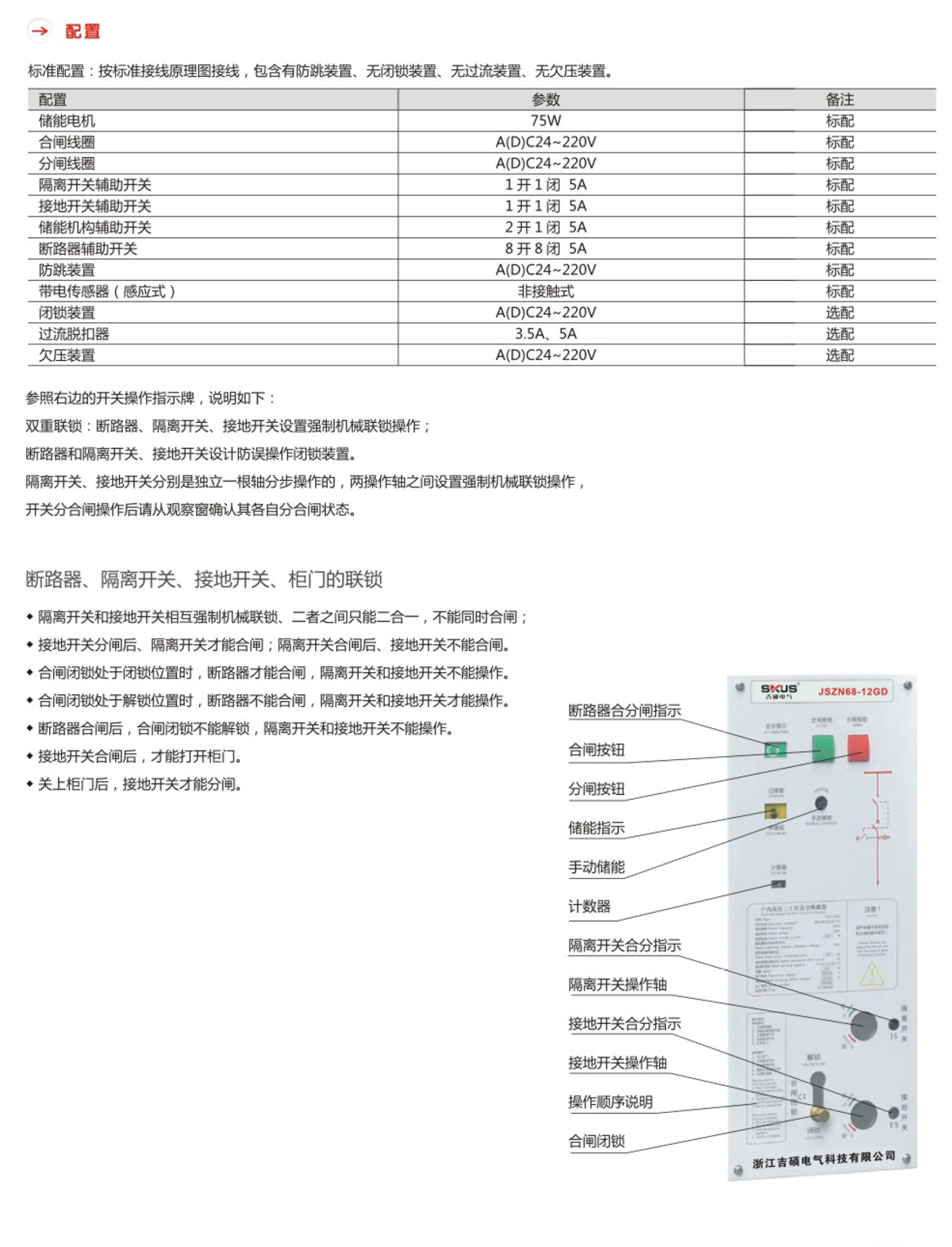
◆隔离开关、断路器、接地开关之间有强制机械联锁,防止误操作。
◆断路器采用模块式操作机构、可独立更换或检修、互换性好。可以用手动操作,也可选用交、直流储能操作.实现远程控制。
◆柜门与接地开关设计有可靠联锁结构,确保操作人员的安全。
